На Земле существует множество впечатляющих явлений природы – торнадо, Северное сияние, Перламутровые облака и, конечно же, одно из самых распространенных – Молния. Вы бы хотели сами создать и потрогать молнию? Я расскажу, как можно это совершить.

МОЛНИЯ – это электрический разряд, образующийся между облаками, либо между облаками и землей. Главное для появления молнии – огромное напряжение между двумя точками. Как же мы можем его создать, не подключившись напрямую к линиям электропередачи?
Как известно ток бывает постоянный и переменный. Вся окружающая нас электроника работает от постоянного тока, в то время как переменный используется для его передачи на расстояние.
ВОЙНА ТОКОВ
В истории был период именуемый "Войной токов". Это было противостояние двух великих изобретателей: Николы Теслы на стороне переменного тока и Томаса Эдисона, представляющего постоянный. Сначала, когда существовали лишь генераторы постоянного тока, была проблема: передача энергии была возможна лишь в ближайшие от электростанции населенные пункты.

Появление переменного тока в 90-х годах 20 столетия позволило решить эту проблему. Это не понравилось Эдисону, получавшему солидную сумму за счет производства и распространения генераторов постоянного тока. С его стороны пошел "черный пиар", раскрывающий всю опасность переменного напряжения. Одним из результатов этого пиара было создание известнейшего способа казни – электрического стула. Но все равно, переменный ток оказался сильнее – большая часть мира перешла именно на него.
ОПАСНЫЙ ПЕРЕМЕННЫЙ ТОК
Эдисон был прав, переменный ток гораздо опаснее постоянного, но для создания молнии именно он нам и нужен. Во-первых, постоянное напряжение нельзя повысить. А во-вторых, есть у переменного один эффект: при относительно низких частотах 40-60Гц он очень опасен, но что произойдет, если мы повысим частоту на несколько порядков 100кГц – 1МГц.

У него появиться ярко выраженный скин-эффект, когда при высокой частоте ток не заходит внутрь проводника, а идет по его поверхности, не нанося серьезных повреждений.
ТАК КАК ЖЕ НАМ СОЗДАТЬ МОЛНИЮ?
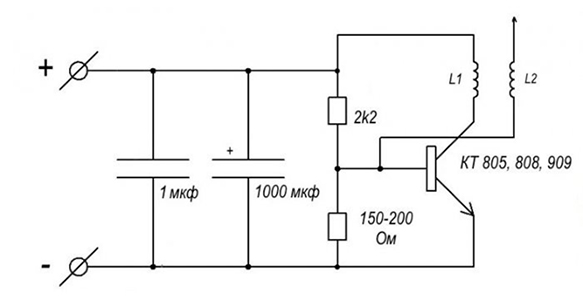
Никола Тесла долгое время экспериментировал с электричеством. Одним из самых известных изобретений является Катушка Теслы – известная в простонародье, как генератор высокого напряжения большой частоты. Нас же интересует его несколько упрощенная версия – "Качер Бровина", который можно собрать самому, используя доступные и недорогие материалы.

Это автогенератор (его не нужно настраивать) высокочастотного электромагнитного излучения. "Качер Бровина" способен зажигать лампочки на расстоянии и, то, что нам нужно, генерировать небольшие молнии, которые можно трогать руками.

Поигравшись с конструкцией, можно сделать из него плазменный шар, или динамик на молниях. Звучит заманчиво, не правда ли? Простор для воображения просто огромен, но не забывайте про безопасность электроники: не подносите близко никакую технику(телефон, фотоаппарат и т.д.), а тем более не забывайте ПРО СОБСТВЕННУЮ БЕЗОПАСНОСТЬ, ведь все-таки вы имеете дело с электричеством.
Дмитрий Евтушенко
